如何正確使用液體增塑劑體積電阻率測定儀?
正確使用液體增塑劑體積電阻率測定儀可按照以下步驟操作:

測試前準備
?儀器與環境準備?
打開儀器電源,預熱不少于30分鐘,確保儀器內部電路穩定,同時讓溫度控制系統達到設定狀態。
將儀器放置在溫度為23±2℃、相對濕度60%-70%的環境中,遠離大型電機、變壓器等強電磁干擾源,若條件允許,在屏蔽箱內進行測試,減少外界雜散電流干擾。
?樣品處理?
取約40-50ml待測液體增塑劑,充分攪拌均勻,確保樣品成分一致,無分層、沉淀情況。
將樣品放置在測試環境中2小時以上,讓樣品溫度與環境溫度平衡,消除溫度歷史效應和濕度對樣品性能的影響。
?電極清潔與檢查?
用異丙醇或無水乙醇擦拭主電極、保護電極和輔助電極,去除殘留的雜質、氧化層,再用干凈無塵布擦干,避免雜質污染樣品影響測量結果。
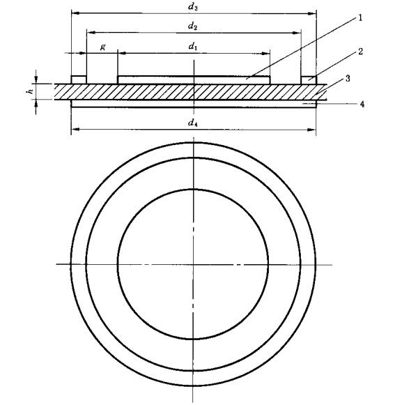
檢查電極的尺寸是否符合標準:高壓電極內徑146mm,測量電極外徑120mm,護環寬度8mm,測量電極與高壓電極的間隙為2mm,電極工作面粗糙度需在1.6以下,確保電極無磨損、變形。

樣品裝填
將清潔后的電極系統安裝在樣品測試室內,把攪拌均勻的樣品緩慢倒入高壓電極內,控制液面剛好與環電極(保護電極)的下緣全部接觸,既不能過多溢出,也不能過少導致電極未被覆蓋,同時注意操作避免產生氣泡。若樣品中出現氣泡,可靜置一段時間讓氣泡自然消散,或使用專用消泡裝置處理。

參數設置
?溫度設置?:將測試溫度設定為23±2℃,儀器會自動啟動溫度控制程序,對樣品進行恒溫處理,直至溫度達到設定值。
?電壓選擇?:根據樣品電阻率的預估范圍,選擇100-500V的直流電壓檔位。若無法預估,可先選擇較低電壓檔位初步測試,再根據結果調整。
?測試模式選擇?:切換至體積電阻率測試模式,儀器自動切換到對應測量電路。

測試操作
按照高阻計要求接線:外電極(高壓電極)接高阻計的高壓輸出端,內電極(測量電極)接高阻計的測量端,中電極(環電極)接高阻計的接地端,確保接線牢固、絕緣良好。
待儀器預熱穩定后,調整儀器完成調零操作,加上試驗電壓1分鐘,讀取電阻指示值。
每次測定后,對試樣及電極進行1分鐘放電操作,防止殘余電荷損壞儀器或造成電擊,之后再次進行測試,最終取兩次測量結果的算術平均值作為最終數據。

測試后收尾
記錄好測試數據,關閉儀器電源,用綢布清潔儀器表面和電極,將電極妥善存放,避免污染和損壞。
若后續還需測試其他樣品,重復上述測試前準備、樣品裝填等步驟即可。
如果在操作過程中遇到儀器故障、數據異常等問題,可隨時和我溝通,我會為你提供進一步的排查和解決建議。

